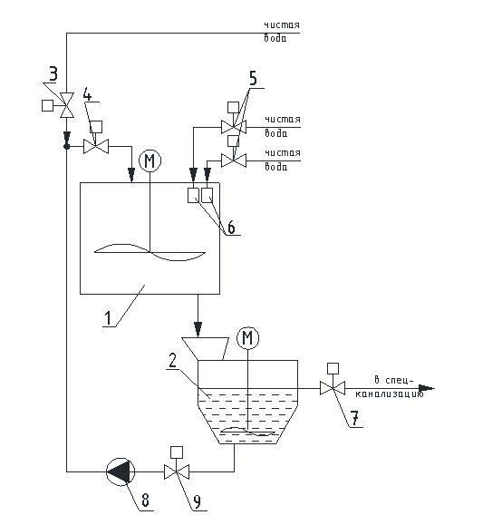
Наше підприємство розробило та впровадило установку цементування твердих радіоактивних відходів на рівненській АЕС. У ході розробки та проектування установки також було поставлене завдання розробки повторного використання розчинів після промивки технологічного обладнання. Метою розробки було скорочення обсягів рідких радіоактивних відходів, які скидаються у спецканалізацію атомної електростанції. Крім того, залишки від цементної суспензії потрапляючи у каналізацію цементуються і виводять систему з ладу.
Розроблена система включає автоматичну установку, яка збирає забруднені радіоактивними елементами відпрацьовані розчини, підтримує їх у стані придатному для повторного використання для приготування нових робочих цементних сумішей. Таким чином, забезпечується повторне 100% використання без утворення небезпечних радіоактивних відходів.
